Terrain
ENGINE BLOCK HEATER (LAF/2.4C, 110V HEATER K05)
Запчасти
ENGINE BLOCK HEATER (LFW/3.0-5, 110V HEATER K05)
Запчасти
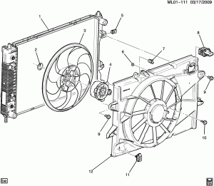
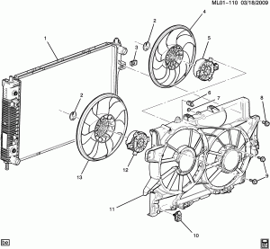
ENGINE COOLANT FAN (LAF/2.4C)
Запчасти
ENGINE COOLANT FAN (LFW/3.0-5)
Запчасти
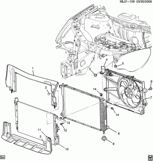
GRILLE/RADIATOR
Запчасти
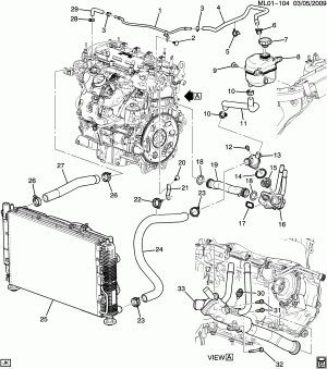
HOSES & PIPES/RADIATOR (LAF/2.4C)
Запчасти
HOSES & PIPES/RADIATOR (LFW/3.0-5)
Запчасти
PULLEYS & BELTS/ACCESSORY DRIVE (LAF/2.4C)
Запчасти
PULLEYS & BELTS/ACCESSORY DRIVE (LFW/3.0-5)
Запчасти
RADIATOR ASM
Запчасти
RADIATOR MOUNTING & RELATED PARTS
Запчасти