TYPHOON 4WD
SHIFT CONTROLS/TRANSFER CASE (ELECTRIC SHIFT CONTROL NP1)
Запчасти
SHIFT CONTROLS/TRANSFER CASE (EXC ELECTRIC SHIFT CONTROL NP1)
Запчасти
TRANSFER CASE (BORG WARNER 4472)
Запчасти
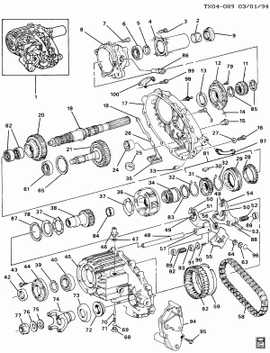
TRANSFER CASE (NEW PROCESS/NEW VENTURE GEAR 231C)
Запчасти
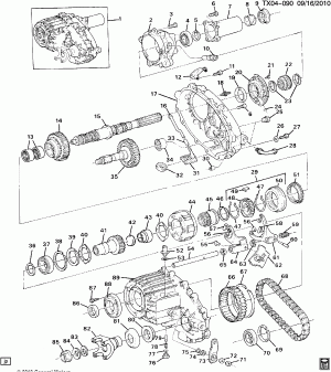
TRANSFER CASE (NP1)(NEW PROCESS/NEW VENTURE GEAR 233C)
Запчасти
TRANSFER CASE ADAPTER
Запчасти
TRANSFER CASE BRACE & VENT TUBE (TYPHOON Z79)
Запчасти