G15 / G1500 VAN VANDURA (1985 - 1991)
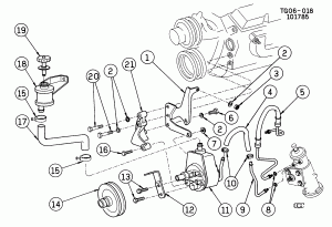
STEERING/BRAKE PUMP MOUNTING & LINES (W/JB8 HYD BRK)(LT9/350M)
Запчасти
STEERING/BRAKE PUMP MOUNTING & LINES/DIESEL (W/AIR CONDITIONING C60)
Запчасти
STEERING COLUMN/KEY RELEASE TILT WHEEL-M/TRANS FLOOR SHIFT
Запчасти
STEERING COLUMN/TILT WHEEL-A/TRNS COLUMN SHIFT
Запчасти
STEERING GEAR ASM (MODEL 800-808)
Запчасти
STEERING GEAR ASM/MANUAL
Запчасти
STEERING LINKAGE
Запчасти
STEERING PUMP ASM
Запчасти
STEERING PUMP ASM/BRAKE PUMP ASM (TC SERIES)
Запчасти
STEERING PUMP MOUNTING & LINES (EXC JB8 HYD BRK)(LT9/350M)
Запчасти
STEERING PUMP MOUNTING & LINES (LB1/4.3N)
Запчасти
STEERING PUMP MOUNTING & LINES (LF3/305F,LS9/350L)
Запчасти
STEERING PUMP MOUNTING & LINES (W/A/TRNS)(LE9/305H)
Запчасти
STEERING PUMP MOUNTING & LINES (W/M/TRNS)(LE9/305H)
Запчасти
STEERING PUMP MOUNTING & LINES/DIESEL (EXC A/C)
Запчасти
STEERING SYSTEM & RELATED PARTS
Запчасти
STEERING WHEEL & HORN PARTS
Запчасти
SUSPENSION/FRONT
Запчасти