JIMMY
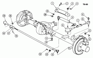
AXLE ASM/FRONT
Запчасти
HUB ASM/LOCKING-AUTOMATIC
Запчасти
STEERING COLUMN/KEY RELEASE TILT WHEEL-M/TRNS FLOOR SHIFT
Запчасти
STEERING COLUMN/NON-TILT COLUMN SHIFT
Запчасти
STEERING COLUMN/NON-TILT FLOOR SHIFT
Запчасти
STEERING COLUMN/TILT WHEEL-A/TRNS COLUMN SHIFT
Запчасти
STEERING GEAR ASM (MODEL 800-808)
Запчасти
STEERING LINKAGE
Запчасти
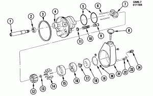
STEERING PUMP ASM
Запчасти
STEERING PUMP MOUNTING & LINES (L05/5.7K)
Запчасти
STEERING PUMP MOUNTING & LINES (LH6/6.2C,LL4/6.2J)( EXC A.C.)
Запчасти
STEERING SYSTEM & RELATED PARTS
Запчасти
STEERING WHEEL & HORN PARTS
Запчасти
VENT HOSE/FRONT AXLE & RELATED PARTS
Запчасти