G15 / G1500 VAN
AUTOMATIC TRANSMISSION (M30) PART 1 (4L60E)(ELECTRONIC)ASSEMBLY
Запчасти
AUTOMATIC TRANSMISSION (M30) PART 2 (4L60E)(ELECTRONIC)CASE & RELATED PARTS/PARK LOCK LINKAGE
Запчасти
AUTOMATIC TRANSMISSION (M30) PART 3 (4L60E)(ELECTRONIC)CLUTCH GEARS
Запчасти
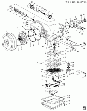
AUTOMATIC TRANSMISSION (M30) PART 4 (4L60E)(ELECTRONIC)CONTROL VALVE
Запчасти
AUTOMATIC TRANSMISSION (M30) PART 5 (4L60E)(ELECTRONIC)OIL PUMP
Запчасти
AUTOMATIC TRANSMISSION (M30) PART 6 (4L60E) PARK BRAKE
Запчасти
AUTOMATIC TRANSMISSION OIL COOLER PIPES (L49/6.5P,L57/6.5Y)
Запчасти
AUTOMATIC TRANSMISSION OIL COOLER PIPES (LB4/4.3Z,L03/5.0H,L05/5.7K,L19/7.4N)
Запчасти
SHIFT CONTROL/AUTOMATIC TRANSMISSION
Запчасти
TRANSMISSION FILLER TUBE & FLUID LEVEL INDICATOR (L49/6.5P,L57/6.5Y)
Запчасти
TRANSMISSION FILLER TUBE & INDICATOR (LB4/4.3Z,L03/5.0H,L05/5.7K,L19/7.4N)
Запчасти