6-100 (GMB) (1998 - 2002)
Transmission components - Option M37 - ZF
Запчасти
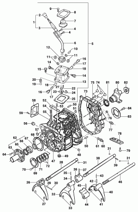
Transmission control - Option M37 - ZF
Запчасти
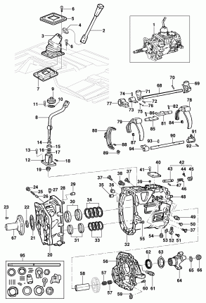
Transmission control - Option M48 - EATON
Запчасти
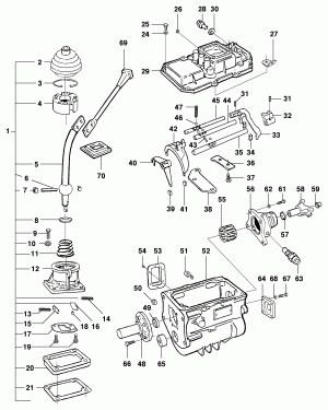
Transmission control - Option M55/M56/ME8/M0L - EATON
Запчасти
Transmission control - Option M457- EATON
Запчасти
Transmission gears - Option M48 - EATON
Запчасти
Transmission gears - Option M55/M56/ME8/M0L - EATON
Запчасти
Transmission gears - Option M57 - EATON
Запчасти