C3500 PICKUP 2WD - Carryover Model (1998 - 2000)
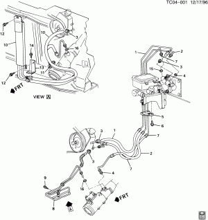
BRAKE & STEERING SYSTEM-HYDRAULIC LINES
Запчасти
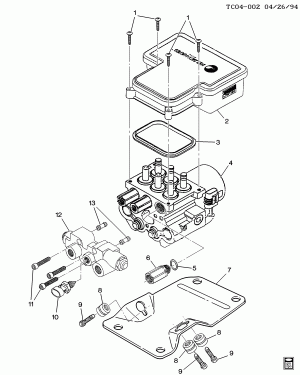
BRAKE BOOSTER/HYDRAULIC (JB8,JD5,JD6,JD7,JF9)
Запчасти
BRAKE BOOSTER/VACUUM (JB5,JB6,JB7)
Запчасти
BRAKE CALIPER/FRONT
Запчасти
BRAKE CONTROL MODULE (EBCM)
Запчасти
BRAKE ELECTRICAL SYSTEM/4 WHEEL ANTI-LOCK
Запчасти
BRAKE LINES/FRONT
Запчасти
BRAKE LINES/REAR
Запчасти
BRAKE MASTER CYLINDER (MORAINE)
Запчасти
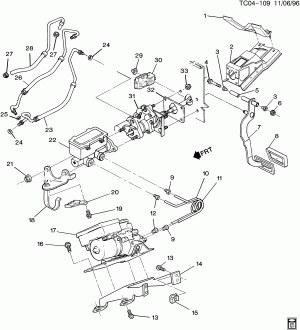
BRAKE PEDAL & MASTER CYLINDER MOUNTING (HYDRAULIC BOOSTER JD5,JD6,JD7,JB8)
Запчасти
PARKING BRAKE SYSTEM
Запчасти
WHEEL CYLINDER/DRUM BRAKE (11.15 X 2.75,13 X 2.5 & 13 X 3.5" BRAKES)(JB6,JD6,JB7,JD7,JB8)
Запчасти