G25 / G2500 VAN RALLY
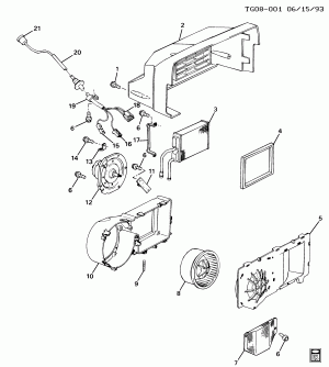
BLOWER ASM (EXC AIR CONDITIONER C60)
Запчасти
HEATER & BLOWER ASM
Запчасти
HEATER ASM (AIR CONDITIONER C60)
Запчасти
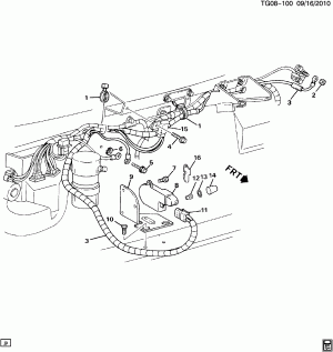
HEATER ASM/REAR AUXILIARY(C36)
Запчасти
HEATER CONTROL ASM
Запчасти
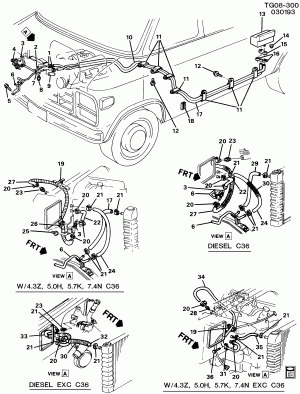
HOSES & PIPES/HEATER (C60)
Запчасти
HOSES & PIPES/HEATER (EXC C60)
Запчасти
JACK & TOOL STOWAGE
Запчасти
LABELS
Запчасти
LAMPS/UNDER HOOD
Запчасти
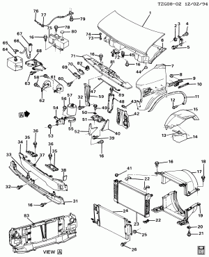
SHEET METAL/FRONT END
Запчасти