Terrain (2010 - 2017)
BUMPER/FRONT
Запчасти
BUMPER/FRONT (DENALI V9V)
Запчасти
BUMPER/FRONT (EXC DENALI V9V)
Запчасти
BUMPER/REAR
Запчасти
BUMPER/REAR (DUAL EXHAUST N10, EXC REAR PARKING ASSIST UD7)
Запчасти
BUMPER/REAR (EXC SENSOR UD7, DUAL EHAUST N10)
Запчасти
BUMPER/REAR (REAR PARKING ASSIST UD7, DUAL EXHAUST N10)
Запчасти
BUMPER/REAR (REAR PARKING ASSIST UD7, EXC DUAL EXHAUST N10)
Запчасти
FRAME & MOUNTING (LEA/2.4K)
Запчасти
FRAME & MOUNTING (LFX/3.6-3)
Запчасти
LICENSE PLATE MOUNTING/FRONT
Запчасти
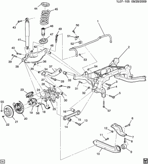
SUSPENSION/REAR (ALL-WHEEL DRIVE F46)
Запчасти
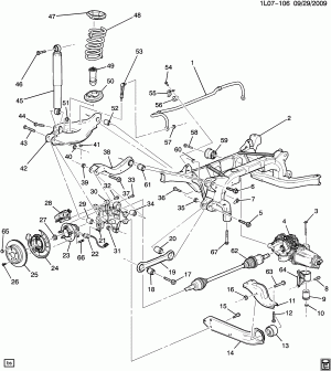
SUSPENSION/REAR (EXC ALL-WHEEL DRIVE F46)
Запчасти
TRAILER HITCH/BALL PACKAGE (DEALER INSTALLED, BALL 5Y3)
Запчасти
TRAILER HITCH/DRAW BAR PACKAGE (DEALER INSTALLED, BALL MOUNT RVX)
Запчасти
TRAILER HITCH PLATFORM PACKAGE (DEALER INSTALLED, FIXED TRAILER HITCH SDD)
Запчасти