K3500 PICKUP SIERRA XC 4WD
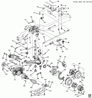
DIFFERENTIAL CARRIER/FRONT AXLE
Запчасти
DRIVE AXLE/FRONT
Запчасти
STEERING COLUMN/STANDARD(MG5,MT8)
Запчасти
STEERING COLUMN/STANDARD(MT1,M30)
Запчасти
STEERING COLUMN/TILT(MD8,MT1,6A4)
Запчасти
STEERING COLUMN/TILT (MG5,MT8)
Запчасти
STEERING COLUMN/TILT (MT1,M30, EXC 6A4)
Запчасти
STEERING GEAR ASM
Запчасти
STEERING LINKAGE
Запчасти
STEERING PUMP ASM
Запчасти
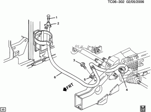
STEERING PUMP LINES (L03/5.0H)
Запчасти
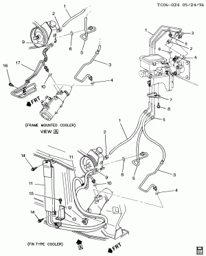
STEERING PUMP LINES (L05/5.7K, W/HYD BRAKE BOOSTER JB8,JD5,JD6,JD7)
Запчасти
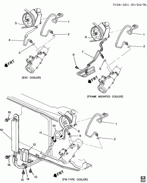
STEERING PUMP LINES (L05/5.7K, W/VACUUM BRAKE BOOSTER)
Запчасти
STEERING PUMP LINES (L19/7.4N, W/HYD BRAKE BOOSTER JB8,JD5,JD6,JD7)
Запчасти
STEERING PUMP LINES (L19/7.4N, W/VACUUM BRAKE BOOSTER)
Запчасти
STEERING PUMP LINES (L65/6.5F, EXC 4-WHEEL DISC BRAKES JF9)
Запчасти
STEERING PUMP LINES (LB4/4.3Z)
Запчасти
STEERING PUMP LINES (LH6/6.2C,LL4/6.2J)
Запчасти
STEERING PUMP MOUNTING (L19/7.4N)
Запчасти
STEERING PUMP MOUNTING (LB4/4.3Z,L03/5.0H,L05/5.7K)
Запчасти
STEERING PUMP MOUNTING (LH6/6.2C,LL4/6.2J,L65/6.5F)
Запчасти
STEERING SHAFT & COUPLING/INTERMEDIATE
Запчасти
STEERING SYSTEM & RELATED PARTS
Запчасти
STEERING WHEEL & HORN PARTS
Запчасти
SUSPENSION/FRONT
Запчасти
VENT HOSE/FRONT AXLE
Запчасти