K3500 PICKUP SIERRA XC 4WD
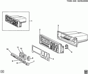
A/C & HEATER CONTROL ASM
Запчасти
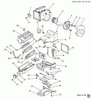
A/C & HEATER MODULE ASM (C60)(RECTANGULAR RESISTOR HOLE)(2ND DES)
Запчасти
A/C & HEATER MODULE ASM (C60)(ROUND RESISTOR HOLE)(1ST DES)
Запчасти
A/C COMPRESSOR ASM/R4
Запчасти
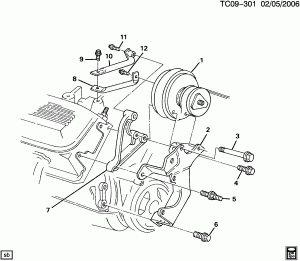
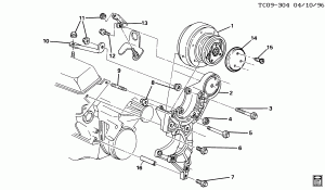
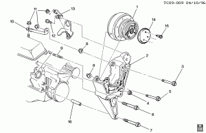
A/C COMPRESSOR MOUNTING (L19/7.4N)
Запчасти
A/C COMPRESSOR MOUNTING (LB4/4.3Z,L03/5.0H,L05/5.7K, EXC K19)
Запчасти
A/C COMPRESSOR MOUNTING (LB4/4.3Z,L03/5.0H,L05/5.7K, K19)
Запчасти
A/C COMPRESSOR MOUNTING (LH6/6.2C,LL4/6.2J,L49/6.5P,L56/6.5S,L65/6.5F)DIESEL
Запчасти
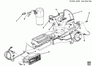
A/C CONTROL SYSTEM-ELECTRICAL (C60)
Запчасти
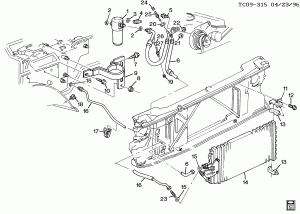
A/C REFRIGERATION SYSTEM (EXC RR AUX A/C C69)
Запчасти
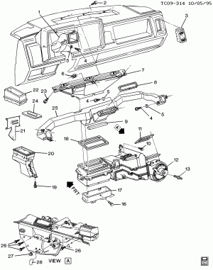
AIR DISTRIBUTION SYSTEM/INSTRUMENT PANEL
Запчасти
ANTENNA/FIXED
Запчасти
AUDIO SYSTEM/FRONT
Запчасти
AUDIO SYSTEM/REAR
Запчасти
BODY MOUNTING
Запчасти
CLUSTER ASM/INSTRUMENT PANEL ELECTROMECHANICAL (ENGINE TACHOMETER U16)
Запчасти
CLUSTER ASM/INSTRUMENT PANEL ELECTROMECHANICAL (EXC ENGINE TACHOMETER U16)
Запчасти