cat
by
vin
Найти
Каталоги
Главная
GMC · 6-100 98 / (1998 - 2002)
Узел
6-100 98 / (1998 - 2002)
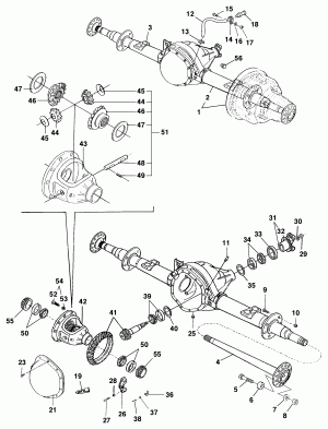
Rear axle - GMC 6.100 - 6.150
Запчасти
Rear axle - Pick-up - GrandBlazer
Запчасти