K25 / K2500 PICKUP 4WD
AXLE ASM/FRONT
Запчасти
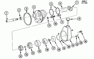
HUB ASM/LOCKING-AUTOMATIC
Запчасти
STEERING COLUMN/KEY RELEASE TILT WHEEL-M/TRNS FLOOR SHIFT
Запчасти
STEERING COLUMN/NON-TILT COLUMN SHIFT
Запчасти
STEERING COLUMN/NON-TILT FLOOR SHIFT
Запчасти
STEERING COLUMN/TILT WHEEL-A/TRNS COLUMN SHIFT
Запчасти
STEERING GEAR ASM (MODEL 800-808)
Запчасти
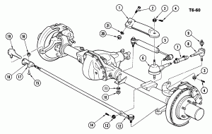
STEERING LINKAGE
Запчасти
STEERING LINKAGE (EXC 4.10 RATIO W/JB7,JD7)
Запчасти
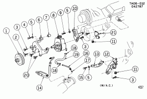
STEERING PUMP ASM
Запчасти
STEERING PUMP MOUNTING & LINES (L25/292T)
Запчасти
STEERING PUMP MOUNTING & LINES (L25/292T)(EXC HYD B RK /JB8)
Запчасти
STEERING PUMP MOUNTING & LINES (LB1/4.3N)
Запчасти
STEERING PUMP MOUNTING & LINES (LE9/305H,LF3/305F)
Запчасти
STEERING PUMP MOUNTING & LINES (LH6/6.2 C,LL4/6.2J)(W/A.C.)
Запчасти
STEERING PUMP MOUNTING & LINES (LH6/6.2C,LL4/6.2J)( EXC A.C.)
Запчасти
STEERING PUMP MOUNTING & LINES (LS9/350L)
Запчасти
STEERING PUMP MOUNTING & LINES (LT9/350M)
Запчасти
STEERING PUMP MOUNTING & LINES (LT9/350M)(EXC HYD B RK /JB8)
Запчасти
STEERING SYSTEM & RELATED PARTS
Запчасти
STEERING WHEEL & HORN PARTS
Запчасти
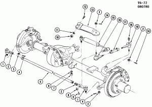
VENT HOSE/FRONT AXLE & RELATED PARTS
Запчасти