SAFARI XT AWD (1990 - 1997)
ACCELERATOR CONTROL
Запчасти
AIR INTAKE SYSTEM (LB4/4.3Z,LU2/4.3B)
Запчасти
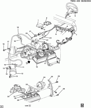
CRUISE CONTROL-V6 (LB4/4.3Z,LU2/4.3B)
Запчасти
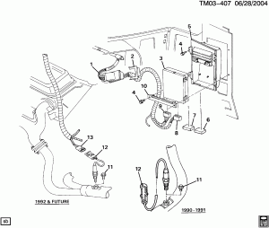
E.C.M. MODULE & WIRING HARNESS (LB4/4.3Z,LU2/4.3B,L35/4.3W)
Запчасти
E.G.R. VALVE & VENT TUBES (LB4/4.3Z,LU2/4.3B)
Запчасти
EXHAUST SYSTEM-V6 (LB4/4.3Z)
Запчасти
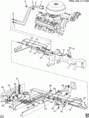
FUEL SUPPLY SYSTEM
Запчасти
FUEL TANK& RELATED PARTS
Запчасти
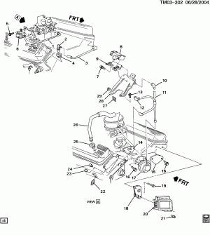
THROTTLE BODY (LU2/4.3B,LB4/4.3Z)
Запчасти
VAPOR CANISTER & RELATED PARTS (LB4/4.3Z,LU2/4.3B,L35/4.3W)
Запчасти