SAFARI XT AWD (1990 - 1997)
ENGINE BLOCK HEATER (K05)
Запчасти
ENGINE COOLANT FAN & CLUTCH-FAN & PULLEYS(LB4/4.3Z,LU2/4.3B,L35/4.3W)
Запчасти
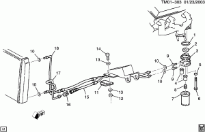
ENGINE OIL COOLER LINES & ADAPTER (LB4/4.3Z,L35/4.3W)
Запчасти
ENGINE OIL LEVEL INDICATOR (LB4/4.3Z,LU2/4.3B,L35/4.3W)
Запчасти
ENGINE OIL PIPES FILLER
Запчасти
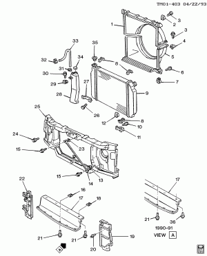
GRILLE/RADIATOR
Запчасти
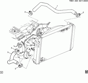
HOSES & PIPES/RADIATOR (LB4/4.3Z)
Запчасти
HOSES & PIPES/RADIATOR (LU2/4.3B)
Запчасти
PULLEYS & BELTS-ACCESSORY DRIVE(LB4/4.3Z,LU2/4.3B,L35/4.3W, C42)
Запчасти
PULLEYS & BELTS-ACCESSORY DRIVE(LB4/4.3Z,LU2/4.3B,L35/4.3W, C60)
Запчасти
RADIATOR ASM (LB4/4.3Z)
Запчасти
RADIATOR MOUNTING & RELATED PARTS
Запчасти