LLV (POSTAL VEHICLE)
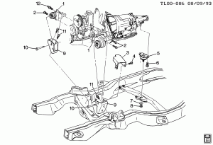
ENGINE & TRANSMISSION MOUNTING (LN2/2.2-4)
Запчасти
ENGINE ASM-2.2L L4 PART 1 CYLINDER BLOCK & INTERNAL PARTS (LN2/2.2-4)
Запчасти
ENGINE ASM-2.2L L4 PART 2 CYLINDER HEAD & RELATED PARTS (LN2/2.2-4)
Запчасти
ENGINE ASM-2.2L L4 PART 3 FRONT COVER & COOLING (LN2/2.2-4)
Запчасти
ENGINE ASM-2.2L L4 PART 4 OIL PUMP, PAN & RELATED PARTS (LN2/2.2-4)
Запчасти
ENGINE ASM-2.2L L4 PART 5 MANIFOLDS & FUEL RELATED PARTS (LN2/2.2-4)
Запчасти