JIMMY 4WD (1995 - 2001)
SHIFT CONTROLS/TRANSFER CASE (ELECT SHIFT TRANSFER CASE)(NP1)
Запчасти
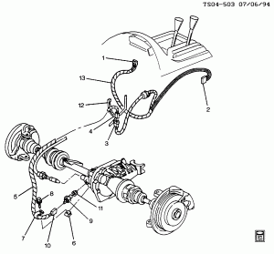
SHIFT CONTROLS/TRANSFER CASE (LEVER)(MAN SHIFT TRANSFER CASE NP2)
Запчасти
SHIFT CONTROLS/TRANSFER CASE (WIRING)(MAN SHIFT TRANSFER CASE NP2)
Запчасти
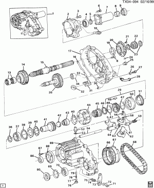
TRANSFER CASE (NEW PROCESS GEAR 233C)(NP1,EXC (NP6))
Запчасти
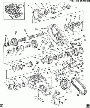
TRANSFER CASE (NP2) (NEW PROCESS/NEW VENTURE GEAR 231C)
Запчасти
TRANSFER CASE (NP3) (BORG WARNER 4472)
Запчасти
TRANSFER CASE ADAPTER (AUTOMATIC TRANSMISSION)
Запчасти
TRANSFER CASE ADAPTER (MANUAL TRANSMISSION)
Запчасти
TRANSFER CASE BRACE & VENT TUBE (ALL WHEEL DRIVE)
Запчасти