JIMMY 4WD (1995 - 2001)
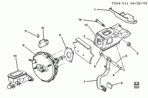
BRAKE BOOSTER/VACUUM
Запчасти
BRAKE CALIPER/FRONT (SINGLE PISTON)
Запчасти
BRAKE CONTROL MODULATOR VALVE
Запчасти
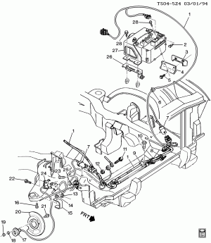
BRAKE ELECTRICAL SYSTEM (4 WHEEL ANTI-LOCK)
Запчасти
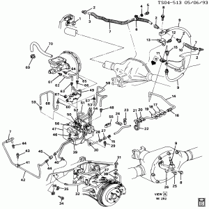
BRAKE LINES (LB4/4.3Z,L35/4.3W)
Запчасти
BRAKE MASTER CYLINDER
Запчасти
BRAKE PEDAL & MASTER CYLINDER MOUNTING
Запчасти
PARKING BRAKE SYSTEM
Запчасти
WHEEL CYLINDER/DRUM BRAKE
Запчасти