cat
by
vin
Найти
Каталоги
Главная
GMC · ENVOY XUV 2WD
Узел
ENVOY XUV 2WD
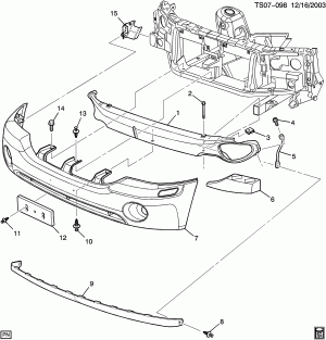
BUMPER/FRONT (G.M.C. Z88)
Запчасти
BUMPER/REAR (G.M.C. Z88)
Запчасти
FRAME
Запчасти
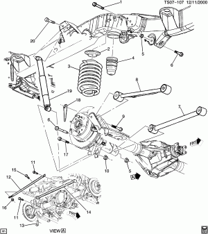
LEVEL CONTROL SYSTEM/AUTOMATIC (G67)
Запчасти
SPARE WHEEL CARRIER
Запчасти
STABILIZER SHAFT/REAR
Запчасти
SUSPENSION/REAR
Запчасти
VEHICLE TIE DOWN-FRONT(VR6)
Запчасти