V3500 PICKUP (1987 - 1987)
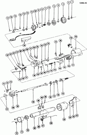
STEERING COLUMN/KEY RELEASE TILT WHEEL-M/TRNS FLOOR SHIFT
Запчасти
STEERING COLUMN/NON-TILT COLUMN SHIFT
Запчасти
STEERING COLUMN/NON-TILT FLOOR SHIFT
Запчасти
STEERING COLUMN/TILT WHEEL-A/TRNS COLUMN SHIFT
Запчасти
STEERING GEAR ASM (MODEL 800-808)
Запчасти
STEERING GEAR ASM/MANUAL
Запчасти
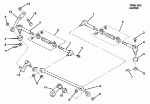
STEERING LINKAGE
Запчасти
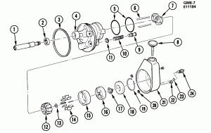
STEERING PUMP ASM
Запчасти
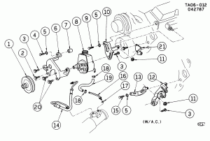
STEERING PUMP MOUNTING & LINES (L05/5.7K)
Запчасти
STEERING PUMP MOUNTING & LINES (L19/7.4N)
Запчасти
STEERING PUMP MOUNTING & LINES (L25/292T)
Запчасти
STEERING PUMP MOUNTING & LINES (LB4/4.3Z)
Запчасти
STEERING PUMP MOUNTING & LINES (LE8/454W)
Запчасти
STEERING PUMP MOUNTING & LINES (LH6/6.2C,LL4/6.2J)( EXC A.C.)
Запчасти
STEERING PUMP MOUNTING & LINES (LT9/350M)
Запчасти
STEERING SYSTEM & RELATED PARTS
Запчасти
STEERING WHEEL & HORN PARTS
Запчасти
SUSPENSION/FRONT
Запчасти