cat
by
vin
Найти
Каталоги
Главная
GMC · LLV (POSTAL VEHICLE) (1987 - 1995)
Узел
LLV (POSTAL VEHICLE) (1987 - 1995)
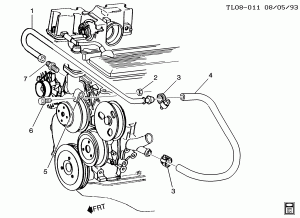
HOSES & PIPES/HEATER
Запчасти