S15 Pickup Reg Cab - 03 Bodystyle (2WD) (1982 - 1990)
A.I.R. PUMP & RELATED PARTS (LR1/1.9A)
Запчасти
A.I.R. PUMP & RELATED PARTS (LR2/2.8B)
Запчасти
ACCELERATOR CONTROL
Запчасти
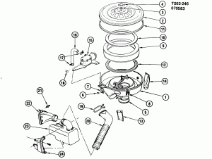
AIR INTAKE SYSTEM (LQ7/2.2S) DIESEL
Запчасти
AIR INTAKE SYSTEM (LR1/1.9A)
Запчасти
CARBURETOR (E2SE)
Запчасти
CARBURETOR/VARAJET (2SE)
Запчасти
CRUISE CONTROL (EXC LQ7/2.2S)
Запчасти
CRUISE CONTROL(LQ7/2.2S) DIESEL
Запчасти
EMISSION CONTROLS (CALIFORNIA)(LR1/1.9A)
Запчасти
EMISSION CONTROLS (FEDERAL)(LR1/1.9A)
Запчасти
EMISSION CONTROLS-L4 (LQ2/2.0Y)
Запчасти
EMISSION CONTROLS-L4 (LR1/1.9A)(CALIF/NB2)
Запчасти
EMISSION CONTROLS-L4 (LR1/1.9A)(FED/NA5)
Запчасти
EMISSION CONTROLS-V6 (LR2/2.8B)
Запчасти
EXHAUST SYSTEM-L4 & V6 (LR1/1.9A,LQ2/2.0Y,LR2/2.8B)
Запчасти
EXHAUST SYSTEM-L4 (LQ7/2.2S) DIESEL
Запчасти
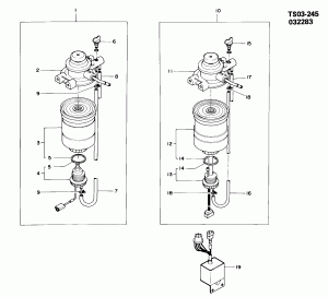
FUEL FILTER (LQ7/2.2S) DIESEL
Запчасти
FUEL INJECTION SYSTEM DIESEL
Запчасти
FUEL SUPPLY SYSTEM
Запчасти
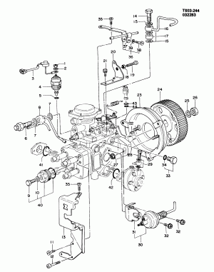
INJECTION PUMP/FUEL
Запчасти