S15 Pickup Reg Cab - 03 Bodystyle (2WD) (1982 - 1990)
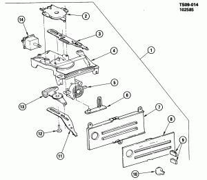
A/C & HEATER CONTROL ASM
Запчасти
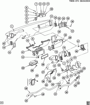
A/C & HEATER MODULE ASM
Запчасти
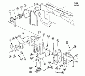
A/C COMPRESSOR ASM/A-6
Запчасти
A/C COMPRESSOR ASM/R-4
Запчасти
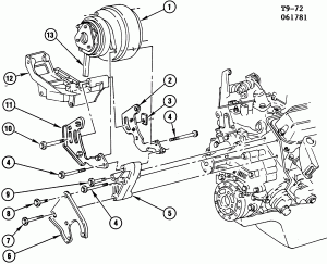
A/C COMPRESSOR MOUNTING (LQ2/2.0Y)
Запчасти
A/C COMPRESSOR MOUNTING (LQ7/2.2S) DIESEL
Запчасти
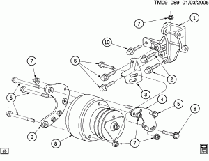
A/C COMPRESSOR MOUNTING (LR1/1.9A)
Запчасти
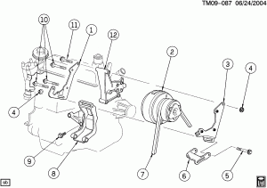
A/C COMPRESSOR MOUNTING (LR2/2.8B)
Запчасти
A/C CONTROL SYSTEM-VACUUM & ELECTRICAL
Запчасти
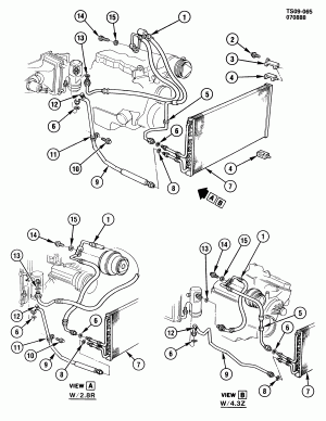
A/C REFRIGERATION SYSTEM
Запчасти
AIR DISTRIBUTION ASM (W/C41/C42)
Запчасти
AIR DISTRIBUTION ASM (W/C60)
Запчасти
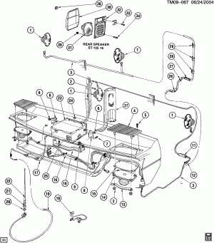
AIR DISTRIBUTION SYSTEM
Запчасти
AUDIO SYSTEM
Запчасти
BODY MOUNTING
Запчасти
CLUSTER ASM/INSTRUMENT PANEL (EXC GAGES OR TACH)
Запчасти
CLUSTER ASM/INSTRUMENT PANEL (W/GAGES OR TACH)
Запчасти