S15 Pickup Reg Cab - 03 Bodystyle (2WD) (1982 - 1990)
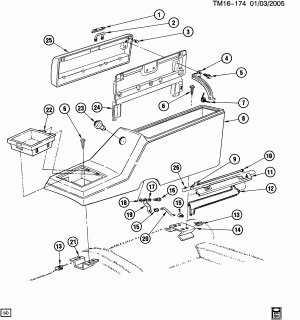
COMPARTMENT/SEAT SEPARATOR (1ST DES)
Запчасти
COMPARTMENT/SEAT SEPARATOR (2ND DES)
Запчасти
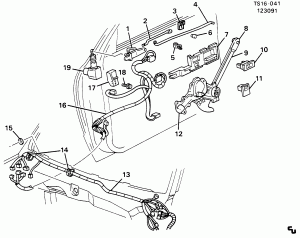
DOOR HARDWARE/SIDE FRONT
Запчасти
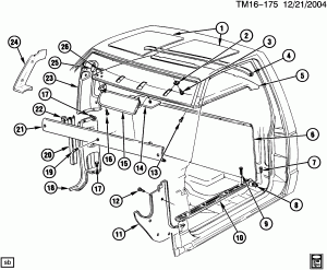
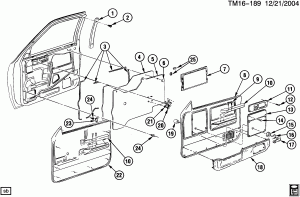
DOOR TRIM/SIDE FRONT
Запчасти
FLOOR COVERING & SILL PLATES
Запчасти
FRONT SEAT/BENCH (A52)
Запчасти
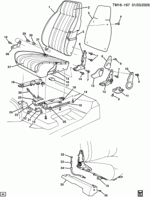
FRONT SEAT/BUCKET (W/HI-BACK BUCKET AV5)
Запчасти
INSTRUMENT PANEL & RELATED PARTS
Запчасти
LAMPS/COURTESY, DOME & CARGO
Запчасти
MIRROR/OUTSIDE REAR VIEW (D44 & D45)
Запчасти
MIRROR/OUTSIDE REAR VIEW (STANDARD)
Запчасти
POWER WINDOW & DOOR LOCK SYSTEM
Запчасти
SEAT BELTS (AV5/A52)
Запчасти
SHEET METAL/BODY
Запчасти
TRIM/INTERIOR
Запчасти
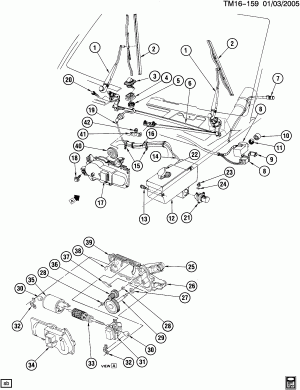
WINDSHIELD & COWL TOP PANEL
Запчасти
WINDSHIELD & WINDOWS/REAR
Запчасти
WIPER SYSTEM/WINDSHIELD
Запчасти