Terrain
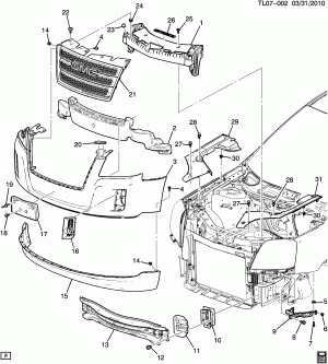
BUMPER/FRONT
Запчасти
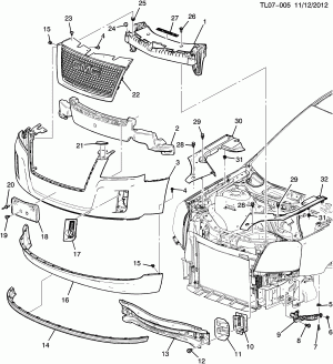
BUMPER/FRONT (DENALI V9V)
Запчасти
BUMPER/FRONT (EXC DENALI V9V)
Запчасти
BUMPER/REAR (CHROME PACKAGE R13)
Запчасти
BUMPER/REAR (DENALI V9V, EXC CHROME PACKAGE R13)
Запчасти
BUMPER/REAR (EXC CHROME PACKAGE R13)
Запчасти
BUMPER/REAR (EXC CHROME PACKAGE R13, DENALI V9V)
Запчасти
FRAME & MOUNTING
Запчасти
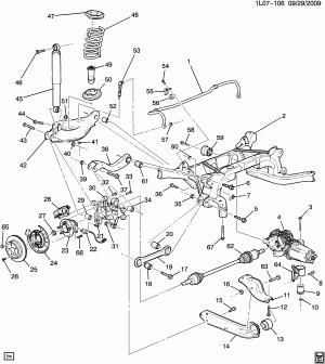
SUSPENSION/REAR (ALL-WHEEL DRIVE F46)
Запчасти
SUSPENSION/REAR (EXC ALL-WHEEL DRIVE F46)
Запчасти
TRAILER HITCH/BALL PACKAGE (DEALER INSTALLED, BALL 5Y3)
Запчасти
TRAILER HITCH/DRAW BAR PACKAGE (DEALER INSTALLED, BALL MOUNT RVX)
Запчасти
TRAILER HITCH PLATFORM (V92)
Запчасти
TRAILER HITCH PLATFORM PACKAGE (DEALER INSTALLED, FIXED TRAILER HITCH SDD)
Запчасти