SAFARI AWD
COVER/TRANSMISSION CONVERTER
Запчасти
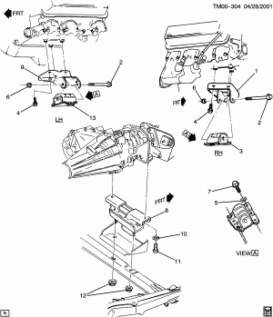
ENGINE & TRANSMISSION MOUNTING-V6
Запчасти
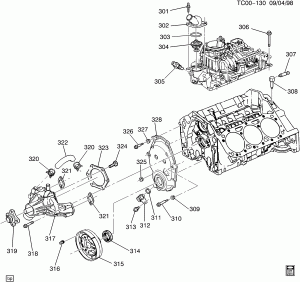
ENGINE ASM-4.3L V6 (L35/4.3W) PART 1 BLOCK & RELATED PARTS
Запчасти
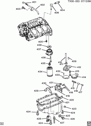
ENGINE ASM-4.3L V6 (L35/4.3W) PART 2 CYLINDER HEAD & RELATED PARTS
Запчасти
ENGINE ASM-4.3L V6 (L35/4.3W) PART 3 FRONT COVER & COOLING RELATED PARTS
Запчасти
ENGINE ASM-4.3L V6 (L35/4.3W) PART 4 OIL PUMP,PAN & RELATED PARTS
Запчасти
ENGINE ASM-4.3L V6 (L35/4.3W) PART 5 MANIFOLD & FUEL RELATED PARTS
Запчасти