SAFARI AWD
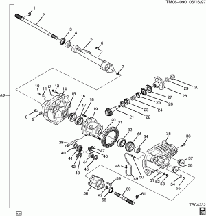
DIFFERENTIAL CARRIER/FRONT AXLE/AWD
Запчасти
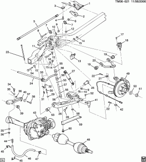
DRIVE SHAFT/FRONT WHEEL
Запчасти
STEERING COLUMN (STANDARD)
Запчасти
STEERING COLUMN (TILT)
Запчасти
STEERING GEAR ASM/POWER
Запчасти
STEERING LINKAGE
Запчасти
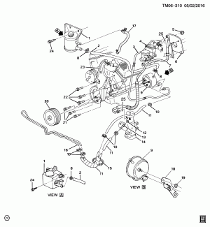
STEERING PUMP ASM
Запчасти
STEERING PUMP LINES
Запчасти
STEERING PUMP MOUNTING (L35/4.3W)
Запчасти
STEERING SYSTEM & RELATED PARTS
Запчасти
STEERING WHEEL & HORN PARTS
Запчасти
SUSPENSION/FRONT
Запчасти