cat
by
vin
Найти
Каталоги
Главная
GMC · LLV (POSTAL VEHICLE)
Узел
LLV (POSTAL VEHICLE)
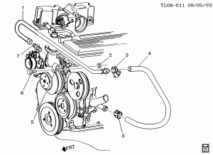
HOSES & PIPES/HEATER
Запчасти