G15 / G1500 VAN VANDURA (1992 - 1995)
BRAKE BOOSTER/VACUUM (JB5,JB7)
Запчасти
BRAKE CALIPER/FRONT (EXC JB8)
Запчасти
BRAKE CONTROL MODULATOR VALVE
Запчасти
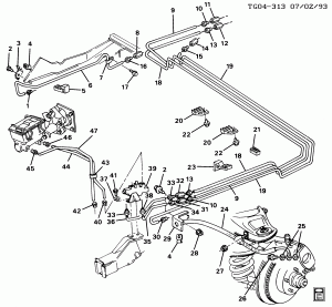
BRAKE LINES/FRONT (JB5,JB7)
Запчасти
BRAKE LINES/FRONT (JB8,JD5,JD7)
Запчасти
BRAKE LINES/REAR
Запчасти
BRAKE MASTER CYLINDER (JB5,JB7)
Запчасти
BRAKE SYSTEM
Запчасти
PARKING BRAKE SYSTEM
Запчасти
WHEEL CYLINDER/DRUM BRAKE REAR WHEEL
Запчасти