3500HD
Air compressor components
Запчасти
Air compressor mounting
Запчасти
Air condioning & fan and evaporator module
Запчасти
Air conditioner line
Запчасти
Air distribution inner
Запчасти
Air distribution outher
Запчасти
Defroster, heater and air conditioner controls
Запчасти
Heater, evaporator and fan modules - components
Запчасти
Instrument panel
Запчасти
Radio antenna
Запчасти
Rear window wiper and washer
Запчасти
Rádio and Tape player & Compact disc
Запчасти
Speakers
Запчасти
Tachograph
Запчасти
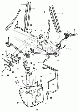
Windshield wiper and washer
Запчасти