C3500 PICKUP SIERRA XC 2WD - Carryover Model (1997 - 1997)
STEERING COLUMN/STANDARD
Запчасти
STEERING COLUMN/TILT
Запчасти
STEERING GEAR ASM
Запчасти
STEERING LINKAGE
Запчасти
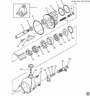
STEERING PUMP ASM
Запчасти
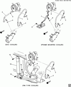
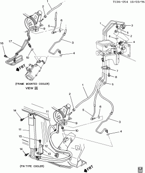
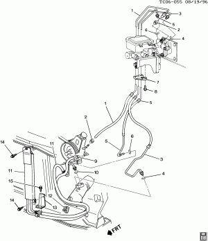
STEERING PUMP LINES (HYD BRAKE BOOSTER, 4-WHEEL DISC JF9)
Запчасти
STEERING PUMP LINES (L29/7.4J, HYD BRAKE BOOSTER JB8,JD5,JD6,JD7)
Запчасти
STEERING PUMP LINES (L30/5.0M)
Запчасти
STEERING PUMP LINES (L31/5.7R, HYD BRAKE BOOSTER JB8,JD5,JD6,JD7)
Запчасти
STEERING PUMP LINES (L31/5.7R, VACUUM BRAKE BOOSTER)
Запчасти
STEERING PUMP LINES (L35/4.3W)
Запчасти
STEERING PUMP LINES (L56/6.5S)
Запчасти
STEERING PUMP LINES (L65/6.5F, EXC 4-WHEEL DISC BRAKES JF9)
Запчасти
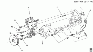
STEERING PUMP MOUNTING (L29/7.4J)
Запчасти
STEERING PUMP MOUNTING (L30/5.0M,L31/5.7R,L35/4.3W)
Запчасти
STEERING PUMP MOUNTING (L56/6.5S,L65/6.5F)
Запчасти
STEERING SYSTEM & RELATED PARTS
Запчасти
STEERING WHEEL & HORN PARTS
Запчасти
SUSPENSION/FRONT
Запчасти