cat
by
vin
Найти
Каталоги
Главная
GMC · P25 / P2500 VAN
Узел
P25 / P2500 VAN
CLUTCH ASM/DIAPHRAGM SPRING TYPE
Запчасти
CLUTCH LINKAGE
Запчасти
ENGINE & TRANSMISSION MOUNTING
Запчасти
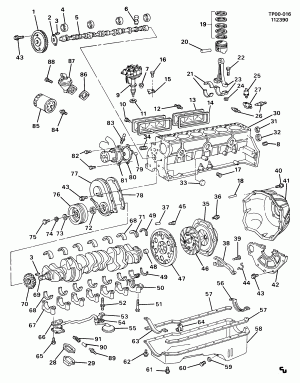
ENGINE ASM-4.8L L6 PART 1 (L25/292T)
Запчасти
ENGINE ASM-4.8L L6 PART 2 (L25/292T)
Запчасти
ENGINE ASM-5.7L V8 PART 1 (LO5/5.7K)
Запчасти