S15 Jimmy - 16 Bodystyle (2WD)
A/C & HEATER CONTROL ASM
Запчасти
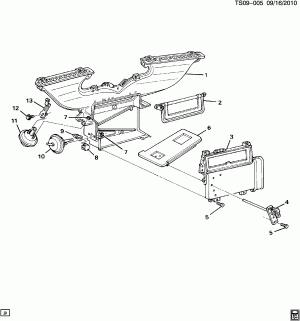
A/C & HEATER MODULE ASM
Запчасти
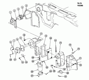
A/C COMPRESSOR ASM/A-6
Запчасти
A/C COMPRESSOR ASM/R-4
Запчасти
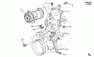
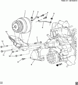
A/C COMPRESSOR MOUNTING (LB4/4.3Z)
Запчасти
A/C COMPRESSOR MOUNTING (LL2/2.8R)
Запчасти
A/C COMPRESSOR MOUNTING (LN8/2.5E)
Запчасти
A/C CONTROL SYSTEM-VACUUM & ELECTRICAL
Запчасти
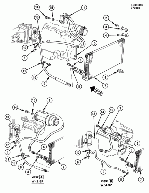
A/C REFRIGERATION SYSTEM
Запчасти
AIR DISTRIBUTION ASM (W/C41)
Запчасти
AIR DISTRIBUTION ASM (W/C42/C60)
Запчасти
AIR DISTRIBUTION SYSTEM
Запчасти
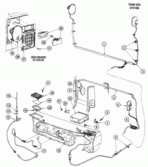
AUDIO SYSTEM
Запчасти
BODY MOUNTING
Запчасти
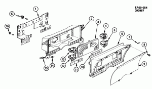
CLUSTER ASM/INSTRUMENT PANEL (EXC GAGES OR TACH)
Запчасти
CLUSTER ASM/INSTRUMENT PANEL (W/GAGES OR TACH)
Запчасти
DEFOGGER/REAR WINDOW
Запчасти