K1500 PICKUP SIERRA XC 4WD
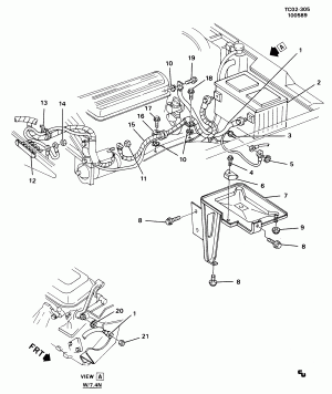
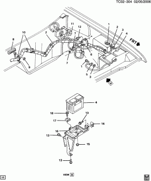
AUXILIARY BATTERY & WIRING (W/CAMPER AUX BATTERY TP2)
Запчасти
BATTERY CABLES (DIESEL)
Запчасти
BATTERY CABLES (GAS)
Запчасти
DISTRIBUTOR/IGNITION
Запчасти
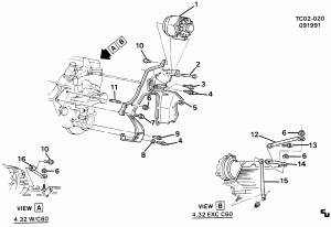
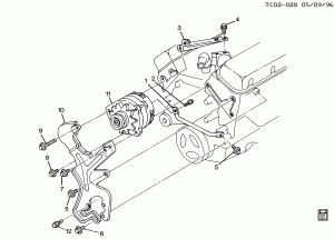
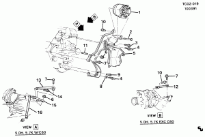
GENERATOR MOUNTING (L03,5.0H/L05,5.7K)
Запчасти
GENERATOR MOUNTING (L19/7.4N)
Запчасти
GENERATOR MOUNTING (LB4,4.3Z)
Запчасти
GENERATOR MOUNTING (LH6/6.2C,LL4/6.2J)
Запчасти
HORN BUTTON & CONTACT
Запчасти
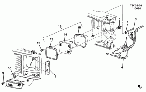
LAMPS/FOG (W/SPORT EQUIPMENT PACKAGE BYP)
Запчасти
LAMPS/FRONT (DUAL HEADLAMP)
Запчасти
LAMPS/FRONT (SINGLE HEADLAMP)
Запчасти
LAMPS/REAR (CHASSIS CAB)
Запчасти
LAMPS/REAR (FLEET SIDE BOX E63)
Запчасти
LAMPS/REAR (STEPSIDE PICKUP BOX E62)
Запчасти
LAMPS/ROOF (U01)
Запчасти
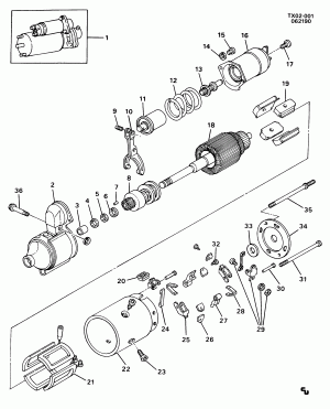
STARTER MOTOR (DIESEL)(DELCO REMY)
Запчасти
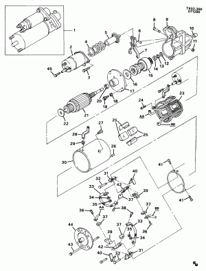
STARTER MOTOR (GAS)(DELCO REMY)
Запчасти
STARTER MOTOR MOUNTING
Запчасти
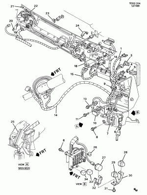
WIRING HARNESS/CHASSIS
Запчасти
WIRING HARNESS/ENGINE (L03/5.0H,L05/5.7K)
Запчасти
WIRING HARNESS/ENGINE (L19/7.4N)
Запчасти
WIRING HARNESS/ENGINE (LB4/4.3Z)
Запчасти
WIRING HARNESS/ENGINE (LH6/6.2C,LL4/6.2J)
Запчасти
WIRING HARNESS/INSTRUMENT PANEL
Запчасти
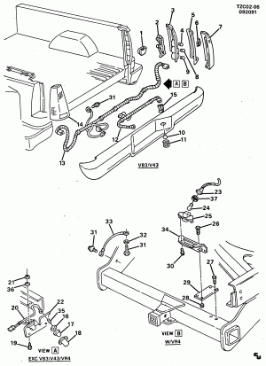
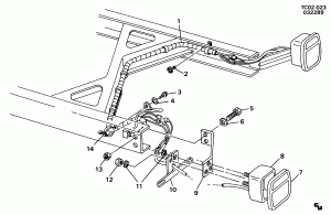
WIRING HARNESS/TRAILER & CAMPER WIRING HARNESS
Запчасти
WIRING HARNESS/TRANSFER CASE
Запчасти