Terrain
ENGINE & TRANSMISSION MOUNTING (LAF/2.4W, MH7)
Запчасти
ENGINE & TRANSMISSION MOUNTING (LAF/2.4W, MHC)
Запчасти
ENGINE ASM & PARTIAL ENGINE (LAF/2.4W)
Запчасти
ENGINE ASM-2.4L L4 PART 1 CYLINDER BLOCK & INTERNAL PARTS (LAF/2.4W)
Запчасти
ENGINE ASM-2.4L L4 PART 2 CYLINDER HEAD & RELATED PARTS (LAF/2.4W)
Запчасти
ENGINE ASM-2.4L L4 PART 3 FRONT COVER & COOLING (LAF/2.4W)
Запчасти
ENGINE ASM-2.4L L4 PART 4 OIL PUMP,PAN & RELATED PARTS (LAF/2.4W)
Запчасти
ENGINE ASM-2.4L L4 PART 5 MANIFOLDS & FUEL RELATED PARTS (LAF/2.4W)
Запчасти
ENGINE TO TRANSMISSION MOUNTING (LAF/2.4W, AUTOMATIC MH7)
Запчасти
ENGINE TO TRANSMISSION MOUNTING (LAF/2.4W, AUTOMATIC MHC)
Запчасти
ENGINE TO TRANSMISSION MOUNTING (MH2)
Запчасти
ENGINE TO TRANSMISSION MOUNTING (MH4)
Запчасти
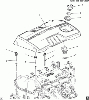
INTAKE MANIFOLD SHIELD/COVERS (LAF/2.4W)
Запчасти