K25 / K2500 SUBURBAN 4WD
CLUTCH ASM/DIAPHRAGM SPRING TYPE
Запчасти
CLUTCH CYLINDERS/HYDRAULIC
Запчасти
CLUTCH LINKAGE
Запчасти
ENGINE & TRANSMISSION MOUNTING-L6 & V8
Запчасти
ENGINE & TRANSMISSION MOUNTING-V6 (LB1/4.3N)
Запчасти
ENGINE ASM-4.3L V6 PART 1 (LB1/4.3N)
Запчасти
ENGINE ASM-4.3L V6 PART 2 (LB1/4.3N)
Запчасти
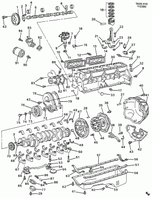
ENGINE ASM-4.8L L6 PART 1 (L25/292T)
Запчасти
ENGINE ASM-4.8L L6 PART 2 (L25/292T)
Запчасти
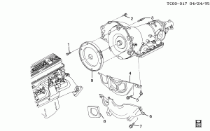
ENGINE TO TRANSMISSION MOUNTING
Запчасти