SAFARI 2WD
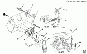
ACCELERATOR CONTROL (LB1/4.3N)
Запчасти
ACCELERATOR CONTROL (LN8/2.5E)
Запчасти
CARBURETOR-QUADRAJET (E4ME)(LB1/4.3N)(M/TRNS)
Запчасти
CARBURETOR-QUADRAJET (M4ME)(LB1/4.3N)
Запчасти
CARBURETOR/QUADRAJET (E4MED)(LB1/4.3N)
Запчасти
CARBURETOR/QUADRAJET (M4MED)(LB1/4.3N)(M/TRNS)
Запчасти
CRUISE CONTROL (LN8/2.5E)
Запчасти
CRUISE CONTROL-V6 (LB1/4.3N)
Запчасти
EMISSION CONTROLS (LB1/4.3N)
Запчасти
EMISSION CONTROLS (LN8/2.5E)
Запчасти
EXHAUST SYSTEM-L4 (LN8/2.5E)
Запчасти
EXHAUST SYSTEM-V6 (LB1/4.3N)
Запчасти
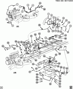
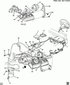
FUEL SUPPLY SYSTEM
Запчасти
FUEL TANK & MOUNTING
Запчасти
THROTTLE BODY INJECTION/SINGLE INJECTOR (MODEL 700)(LN8/2.5E)
Запчасти