cat
by
vin
Найти
Каталоги
Главная
GMC · LLV (POSTAL VEHICLE)
Узел
LLV (POSTAL VEHICLE)
AXLE ASM/REAR-COMPLETE
Запчасти
AXLE ASM/REAR PART 1
Запчасти
AXLE ASM/REAR PART 2 DIFFERENTIAL/LOCKING
Запчасти
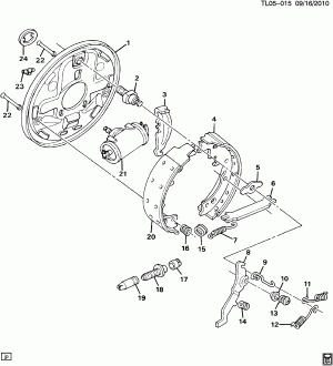
BRAKE ASM/REAR DRUM
Запчасти
PROP SHAFT (ONE PIECE)
Запчасти
REAR AXLE VENT HOSE & PROP SHAFT
Запчасти
ROAD WHEEL
Запчасти