6-100 (GMB)
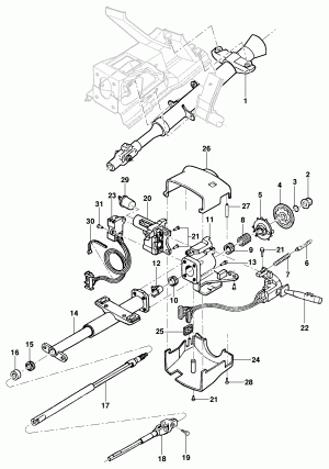
Adjustable steering column components
Запчасти
Bracket spare wheel - 6.100 - 6.150
Запчасти
Bracket spare wheel - Pick-up - GrandBlazer
Запчасти
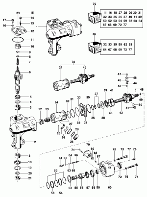
Electronic modulated hydraulic steering box - Option NV7
Запчасти
Fixed steering column components
Запчасти
Front shock-absorver
Запчасти
Front suspension
Запчасти
Front suspension components
Запчасти
Front suspension spindle
Запчасти
Hydraulic steering box - Option N40
Запчасти
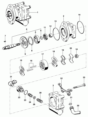
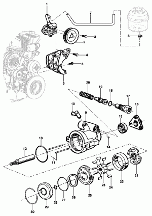
Hydraulic steering pump - diesel engine L4A Maxion
Запчасти
Hydraulic steering pump - diesel engine LA5 MWM
Запчасти
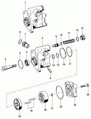
Hydraulic steering pump - gasoline engine LDX
Запчасти
Hydraulic steering pump and line - diesel engine L4A/LA5
Запчасти
Hydraulic steering pump and line - gasoline engine LDX
Запчасти
Steering column & Steering weel
Запчасти
Steering linkages
Запчасти
Steering shock-absorver
Запчасти
Wheels and caps
Запчасти