Sierra 3500HD Denali Crew Cab - 43 Bodystyle (2WD) (2011 - 2014)
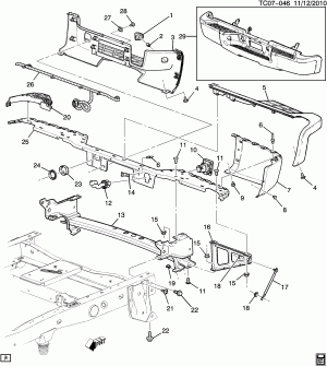
BUMPER/FRONT (G.M.C. Z88, DENALI Y91)
Запчасти
BUMPER/REAR (EXC REAR PARKING ASSIST UD7)
Запчасти
BUMPER/REAR (REAR PARKING ASSIST UD7)
Запчасти
FRAME
Запчасти
LOCK CYLINDER/SPARE WHEEL
Запчасти
SPARE WHEEL CARRIER
Запчасти
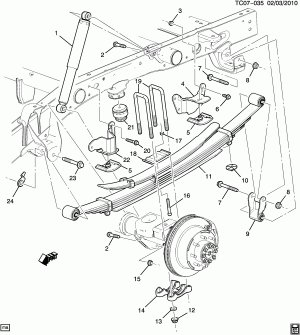
SPRINGS/REAR
Запчасти
SUSPENSION/REAR
Запчасти
TOW HOOKS (V76)
Запчасти
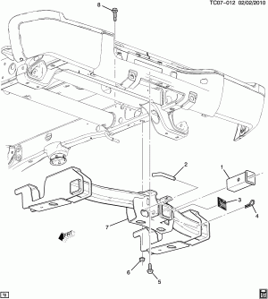
TRAILER HITCH PLATFORM (VR4)
Запчасти