cat
by
vin
Найти
Каталоги
Главная
GMC · G15 / G1500 VAN SAVANA
Узел
G15 / G1500 VAN SAVANA
BUMPER/FRONT
Запчасти
BUMPER/REAR (EXC (VD1))
Запчасти
BUMPER/REAR (EXPORT VD1)
Запчасти
FRAME 135" WHL BASE(7300 LB GVW C6A)
Запчасти
SPARE WHEEL CARRIER
Запчасти
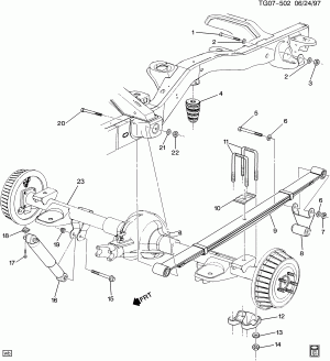
SPRINGS/REAR
Запчасти
SUSPENSION/REAR
Запчасти
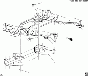
TRAILER HITCH PLATFORM (VR4)
Запчасти
VEHICLE TIE DOWN (VR6)
Запчасти