G15 / G1500 VAN SAVANA
AUTOMATIC TRANSMISSION (M30) PART 1 (4L60E)(ELECTRONIC)ASSEMBLY
Запчасти
AUTOMATIC TRANSMISSION (M30) PART 2 (4L60E)(ELECTRONIC)CASE & RELATED PARTS/PARK LOCK LINKAGE
Запчасти
AUTOMATIC TRANSMISSION (M30) PART 3 (4L60E)(ELECTRONIC)CLUTCH GEARS
Запчасти
AUTOMATIC TRANSMISSION (M30) PART 4 (4L60E)(ELECTRONIC)CONTROL VALVE
Запчасти
AUTOMATIC TRANSMISSION (M30) PART 5 (4L60E)(ELECTRONIC)OIL PUMP
Запчасти
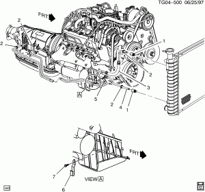
AUTOMATIC TRANSMISSION OIL COOLER PIPES (L30/5.0M,L31/5.7R)
Запчасти
AUTOMATIC TRANSMISSION OIL COOLER PIPES (L35/4.3W)
Запчасти
AUTOMATIC TRANSMISSION OIL COOLER PIPES (V14)
Запчасти
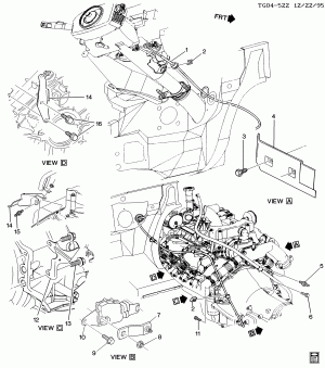
SHIFT CONTROL/AUTOMATIC TRANSMISSION & RELATED AREA
Запчасти
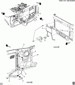
TRANSMISSION AUXILIARY OIL COOLER(BOLT-ON) (EXC (V14))
Запчасти
TRANSMISSION FILLER TUBE & OIL LEVEL INDICATOR
Запчасти