G15 / G1500 VAN RALLY
ENGINE & TRANSMISSION MOUNTING
Запчасти
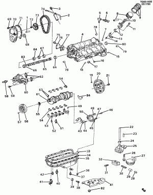
ENGINE ASM-5.0/5.7L V8 PART 1 (L03/5.0H,L05/5.7K)
Запчасти
ENGINE ASM-5.0/5.7L V8 PART 2 (L03/5.0H,L05/5.7K)
Раздел
ENGINE ASM-6.2L V8 DIESEL PART 1 (LH6/6.2C,LL4/6.2J)
Запчасти
ENGINE ASM-6.2L V8 DIESEL PART 2 (LH6/6.2C,LL4/6.2J)
Запчасти
ENGINE ASM-7.4L V8 PART 1 (L19/7.4N)
Запчасти
ENGINE ASM-7.4L V8 PART 2 (L19/7.4N)
Запчасти