G35 / G3500 VAN (1985 - 1991)
STEERING/BRAKE PUMP MOUNTING & LINES (W/JB8 HYD BRK)(LT9/350M)
Запчасти
STEERING/BRAKE PUMP MOUNTING & LINES/DIESEL (W/AIR CONDITIONING C60)
Запчасти
STEERING COLUMN/KEY RELEASE TILT WHEEL-M/TRANS FLOOR SHIFT
Запчасти
STEERING COLUMN/TILT WHEEL-A/TRNS COLUMN SHIFT
Запчасти
STEERING GEAR ASM (MODEL 800-808)
Запчасти
STEERING GEAR ASM/MANUAL
Запчасти
STEERING LINKAGE
Запчасти
STEERING PUMP ASM
Запчасти
STEERING PUMP ASM/BRAKE PUMP ASM (TC SERIES)
Запчасти
STEERING PUMP MOUNTING & LINES (L03/5.0H,L05/5.7K,LB4/4.3Z)
Запчасти
STEERING PUMP MOUNTING & LINES (LB4/4.3Z)
Запчасти
STEERING PUMP MOUNTING & LINES/DIESEL (EXC A/C)
Запчасти
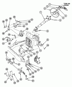
STEERING SYSTEM & RELATED PARTS
Запчасти
STEERING WHEEL & HORN PARTS
Запчасти
SUSPENSION/FRONT
Запчасти