JIMMY ENVOY 4WD
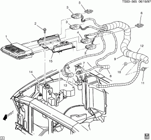
A.I.R. MODULE & WIRING HARNESS (ELECTRIC A.I.R. K18)
Запчасти
A.I.R. PUMP & RELATED PARTS (L35/4.3W, ELECTRIC A.I.R. K18)
Запчасти
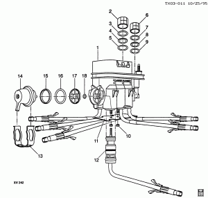
A.I.R. PUMP (L35/4.3W)
Запчасти
ACCELERATOR CONTROL (L35/4.3W)
Запчасти
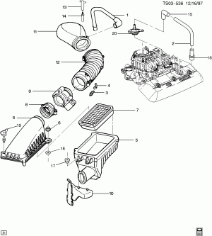
AIR INTAKE SYSTEM (L35/4.3W)
Запчасти
CRUISE CONTROL (L35/4.3W)
Запчасти
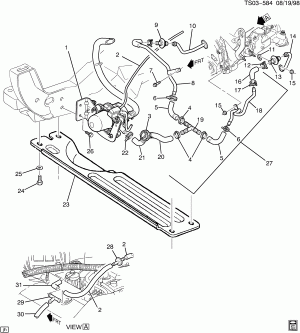
E.G.R. VALVE & RELATED PARTS (L35/4.3W)
Запчасти
EXHAUST SYSTEM (CALIF EMISSIONS NC1)
Запчасти
EXHAUST SYSTEM (FEDERAL EMISSIONS NF2, EUROPEAN EMISSIONS NA7)
Запчасти
FUEL METER BODY (L35/4.3W)
Запчасти
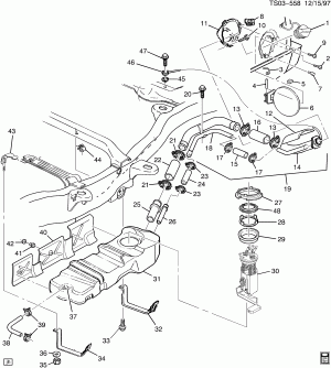
FUEL SUPPLY SYSTEM
Запчасти
FUEL TANK MOUNTING & FILLER PIPE
Запчасти
FUEL TANK SENDER
Запчасти
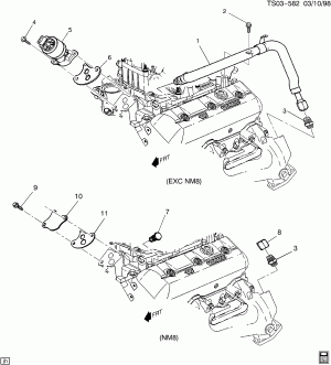
INTAKE MANIFOLD & THROTTLE BODY (L35/4.3W)
Запчасти
THROTTLE BODY (L35/4.3W)
Запчасти
V.C.M. MODULE & WIRING HARNESS (L35/4.3W)
Запчасти
VAPOR CANISTER LINES (L35/4.3W)(FRONT)
Запчасти
VAPOR CANISTER LINES (L35/4.3W)(REAR)
Запчасти