JIMMY ENVOY 4WD
CONVENIENCE NET/CARGO
Запчасти
ENDGATE & RELATED PARTS(E55)
Запчасти
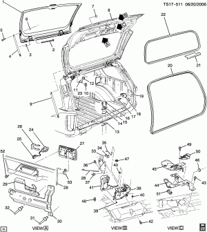
LIFTGATE & RELATED PARTS(TB4)
Запчасти
LIFTGATE/TRIM (TB4,TB7)
Запчасти
LUGGAGE CARRIER (CHEVROLET X88/G.M.C. Z88)
Запчасти
MOLDINGS & DECALS (G.M.C. Z88, ENVOY YC7, EXC JIMMY DIAMOND EDITION JDE)
Запчасти
MOLDINGS & DECALS (G.M.C. Z88, EXC ENVOY YC7,JIMMY DIAMOND EDITION JDE)
Запчасти
MOLDINGS & DECALS (JIMMY DIAMOND EDITION JDE)
Запчасти