G15 / G1500 VAN VANDURA (1985 - 1991)
DISTRIBUTOR/IGNITION (W/FUEL INJECTION)
Запчасти
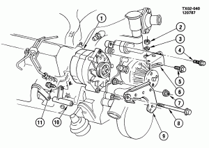
GENERATOR ASM
Запчасти
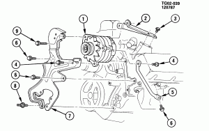
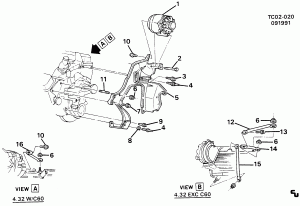
GENERATOR MOUNTING (L03/5.0H,L05/5.7K)
Запчасти
GENERATOR MOUNTING (L19/7.4N)
Запчасти
GENERATOR MOUNTING (LB4/4.3Z)
Запчасти
GENERATOR MOUNTING (LH6/6.2C,LL4/6.2J)
Запчасти
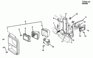
HEADLAMPS/DUAL (W/CHROME GRILLE V22)
Запчасти
HEADLAMPS/SINGLE
Запчасти
LAMPS/REAR
Запчасти
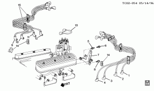
SPARK PLUG WIRING (L03/5.0H,L05/5.7K)
Раздел
SPARK PLUG WIRING (L19/7.4N)
Запчасти
SPARK PLUG WIRING (LB4/4.3Z)
Запчасти
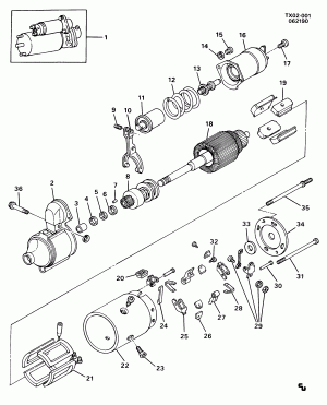
STARTER MOTOR/GAS (DELCO REMY)
Запчасти