cat
by
vin
Найти
Каталоги
Главная
GMC · JIMMY 2WD
Узел
JIMMY 2WD
CLUTCH (LN2/2.2-4, BORG WARNER MANUAL MW1)
Запчасти
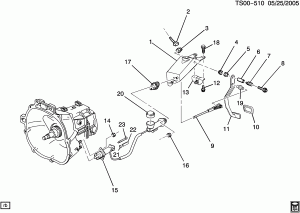
CLUTCH CONTROL LINKAGE (LN2/2.2-4, BORG WARNER MANUAL MW1)
Запчасти
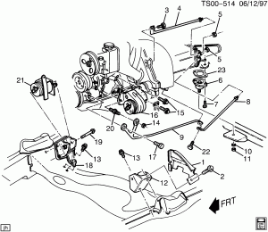
ENGINE & TRANSMISSION MOUNTING (LN2/2.2-4)
Запчасти
ENGINE TO TRANSMISSION MOUNTING (AUTOMATIC M30)
Запчасти