catbyvin

Hino 300 - XZU347R-HKMMBQ3 (2006-2011)

ENGINE 1: 4000CC DIESEL; ATM,MTM: MANUAL TRANSMISSION; GEAR SHIFT TYPE: MTM, 5-SPEED FLOOR SHIFT; DRIVER'S POSITION: RIGHT-HAND DRIVE VEHICLES; LOADING CAPACITY: 5.5 TONS; REAR TIRE: DOUBLE TIRE; DESTINATION: AUSTRALIA; BUILDING CONDITION: INCOMPLETE VEHICLES (CAB & CHASSIS); DECK: HIGH DECK (FLAT DECK); FUEL INDUCTION: DIESEL COMMON RAIL INJECTION SYSTEM(MIDDLE POWER)

ВАКУУМНЫЙ ТОРМОЗНОЙ ЦИЛИНДР
ВАКУУМНЫЙ ТОРМОЗНОЙ ЦИЛИНДР
Раздел
ГЛАВНЫЙ ТОРМОЗНОЙ ЦИЛИНДР
ГЛАВНЫЙ ТОРМОЗНОЙ ЦИЛИНДР
Запчасти
ГЛАВНЫЙ ЦИЛИНДР СЦЕПЛЕНИЯ
ГЛАВНЫЙ ЦИЛИНДР СЦЕПЛЕНИЯ
Запчасти
ДИСКИ И КОЛПАКИ
ДИСКИ И КОЛПАКИ
Раздел
ЗАДНИЙ МОСТ ИДИФФЕРЕНЦИАЛ
ЗАДНИЙ МОСТ ИДИФФЕРЕНЦИАЛ
Раздел
ЗАДНЯЯ ОСИ И СТУПИЦА
ЗАДНЯЯ ОСИ И СТУПИЦА
Запчасти
ЗАДНЯЯ ПОДВЕСКА ПРУЖИНЫ, АМОРТИЗАТОРЫ
ЗАДНЯЯ ПОДВЕСКА ПРУЖИНЫ, АМОРТИЗАТОРЫ
Раздел
ЗАДНЯЯ ТОРМОЗНАЯ СИСТЕМА
ЗАДНЯЯ ТОРМОЗНАЯ СИСТЕМА
Запчасти
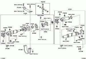
КАРДАН, КРЕСТОВИНЫ
КАРДАН, КРЕСТОВИНЫ
Запчасти
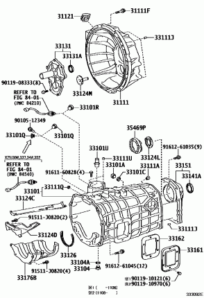
КОРОБКА ПЕРЕДОЧ И РЕМКОМПЛЕКТ (МКПП)
КОРОБКА ПЕРЕДОЧ И РЕМКОМПЛЕКТ (МКПП)
Запчасти
КОРПУС СЦЕПЛЕНИЯ И КОРПУС КОРОБКИ ПЕРЕДАЧ (МКПП)
КОРПУС СЦЕПЛЕНИЯ И КОРПУС КОРОБКИ ПЕРЕДАЧ (МКПП)
Запчасти
МЕХАНИЗМ ОТБОРА МОЩНОСТИ, КОРПУС
МЕХАНИЗМ ОТБОРА МОЩНОСТИ, КОРПУС
Раздел
МОТОРНЫЙ ТОРМОЗ-ЗАМЕДЛИТЕЛЬ
МОТОРНЫЙ ТОРМОЗ-ЗАМЕДЛИТЕЛЬ
Запчасти
НАСОС ГИДРОУСИЛИТЕЛЯ , БАЧОК
НАСОС ГИДРОУСИЛИТЕЛЯ , БАЧОК
Запчасти
ПЕДАЛЬ СЦЕПЛЕНИЯ
ПЕДАЛЬ СЦЕПЛЕНИЯ
Раздел
ПЕДАЛЬ ТОРМОЗА
ПЕДАЛЬ ТОРМОЗА
Запчасти
ПЕРЕДНИЕ ТОРМОЗА (КОЛОДКИ, СУППОРТА, РЕМ К-Т, КОЖУХ)
ПЕРЕДНИЕ ТОРМОЗА (КОЛОДКИ, СУППОРТА, РЕМ К-Т, КОЖУХ)
Запчасти
ПЕРЕДНЯЯ ПОДВЕСКА ПРУЖИНЫ И АМОРТИЗАТОРЫ
ПЕРЕДНЯЯ ПОДВЕСКА ПРУЖИНЫ И АМОРТИЗАТОРЫ
Раздел
ПЕРЕДНЯЯ ПОДВЕСКА РЫЧАГИ
ПЕРЕДНЯЯ ПОДВЕСКА РЫЧАГИ
Запчасти
ПЕРЕДНЯЯ СТУПИЦА И ТОРМОЗНОЙ ДИСК
ПЕРЕДНЯЯ СТУПИЦА И ТОРМОЗНОЙ ДИСК
Запчасти
РУЛЕВАЯ КОЛОНКА И КРЕСТОВИНЫ
РУЛЕВАЯ КОЛОНКА И КРЕСТОВИНЫ
Запчасти
РУЛЕВАЯ РЕЙКА И НАКОНЕЧНИКИ
РУЛЕВАЯ РЕЙКА И НАКОНЕЧНИКИ
Раздел
РУЛЬ
РУЛЬ
Раздел
РУЧКА ПЕРЕКЛЮЧЕНИЯ ПЕРЕДАЧ
РУЧКА ПЕРЕКЛЮЧЕНИЯ ПЕРЕДАЧ
Раздел
СТОЯНОЧНЫЙ ТОРМОЗ КОЛОДКИ ТРОСА. (РУЧНИК)
СТОЯНОЧНЫЙ ТОРМОЗ КОЛОДКИ ТРОСА. (РУЧНИК)
Раздел
СЦЕПЛЕНИЕ
СЦЕПЛЕНИЕ
Запчасти
ТОРМОЗНАЯ МАГИСТРАЛЬ (ТРУБКИ)
ТОРМОЗНАЯ МАГИСТРАЛЬ (ТРУБКИ)
Раздел
ТРУБКИ ГИДРОУСИЛИТЕЛЯ РУЛЯ
ТРУБКИ ГИДРОУСИЛИТЕЛЯ РУЛЯ
Запчасти
ТЯГИ И ВИЛКИ ПЕРЕКЛЮЧЕНИЯ ПЕРЕДАЧ
ТЯГИ И ВИЛКИ ПЕРЕКЛЮЧЕНИЯ ПЕРЕДАЧ
Запчасти
УСИСЛИТЕЛЬ СЦЕПЛЕНИЯ
УСИСЛИТЕЛЬ СЦЕПЛЕНИЯ
Запчасти
ЦИЛИНДР СЦЕПЛЕНИЯ
ЦИЛИНДР СЦЕПЛЕНИЯ
Запчасти
ШЕСТЕРНИ КОРОБКИ ПЕРЕДАЧ (МКПП)
ШЕСТЕРНИ КОРОБКИ ПЕРЕДАЧ (МКПП)
Запчасти
ШЕСТЕРНЯ ПРИВОДА СПИДОМЕТРА
ШЕСТЕРНЯ ПРИВОДА СПИДОМЕТРА
Запчасти