catbyvin

Hino 300 - XKU720R-HKUQS3 (2013-2018)

ENGINE 1: 4000CC DIESEL; ATM,MTM: AUTOMATED MANUAL TRANSMISSION; GEAR SHIFT TYPE: MTM, 5-SPEED FLOOR SHIFT; DRIVER'S POSITION: RIGHT-HAND DRIVE VEHICLES; REAR TIRE: DOUBLE TIRE; LOADING CAPACITY: 6.5 TONS; FUEL INDUCTION: DIESEL COMMON RAIL INJECTION SYSTEM(HIGH POWER); EMISSION REGULATION: EMISSION REGULATION(EURO5); BUILDING CONDITION: INCOMPLETE VEHICLES (CAB & CHASSIS); DESTINATION: GENERAL COUNTRIES

АВТОМАТИЧЕСКОЕ СЦЕПЛЕНИЕ
АВТОМАТИЧЕСКОЕ СЦЕПЛЕНИЕ
Запчасти
ВАКУУМНЫЙ ТОРМОЗНОЙ ЦИЛИНДР
ВАКУУМНЫЙ ТОРМОЗНОЙ ЦИЛИНДР
Раздел
ГЛАВНЫЙ ТОРМОЗНОЙ ЦИЛИНДР
ГЛАВНЫЙ ТОРМОЗНОЙ ЦИЛИНДР
Запчасти
ДИСКИ И КОЛПАКИ
ДИСКИ И КОЛПАКИ
Раздел
ЗАДНИЙ МОСТ ИДИФФЕРЕНЦИАЛ
ЗАДНИЙ МОСТ ИДИФФЕРЕНЦИАЛ
Раздел
ЗАДНЯЯ ОСИ И СТУПИЦА
ЗАДНЯЯ ОСИ И СТУПИЦА
Запчасти
ЗАДНЯЯ ПОДВЕСКА ПРУЖИНЫ, АМОРТИЗАТОРЫ
ЗАДНЯЯ ПОДВЕСКА ПРУЖИНЫ, АМОРТИЗАТОРЫ
Раздел
ЗАДНЯЯ ТОРМОЗНАЯ СИСТЕМА
ЗАДНЯЯ ТОРМОЗНАЯ СИСТЕМА
Запчасти
КАРДАН, КРЕСТОВИНЫ
КАРДАН, КРЕСТОВИНЫ
Запчасти
КОРОБКА ПЕРЕДОЧ И РЕМКОМПЛЕКТ (МКПП)
КОРОБКА ПЕРЕДОЧ И РЕМКОМПЛЕКТ (МКПП)
Запчасти
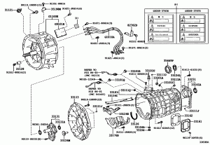
КОРПУС СЦЕПЛЕНИЯ И КОРПУС КОРОБКИ ПЕРЕДАЧ (МКПП)
КОРПУС СЦЕПЛЕНИЯ И КОРПУС КОРОБКИ ПЕРЕДАЧ (МКПП)
Запчасти
МЕХАНИЗМ ОТБОРА МОЩНОСТИ, КОРПУС
МЕХАНИЗМ ОТБОРА МОЩНОСТИ, КОРПУС
Запчасти
МОТОРНЫЙ ТОРМОЗ-ЗАМЕДЛИТЕЛЬ
МОТОРНЫЙ ТОРМОЗ-ЗАМЕДЛИТЕЛЬ
Раздел
НАСОС ГИДРОУСИЛИТЕЛЯ , БАЧОК
НАСОС ГИДРОУСИЛИТЕЛЯ , БАЧОК
Запчасти
НАСОС И ПРИВОД МЕХАНИЧЕСКОЙ ТРАНСМИССИИ
НАСОС И ПРИВОД МЕХАНИЧЕСКОЙ ТРАНСМИССИИ
Раздел
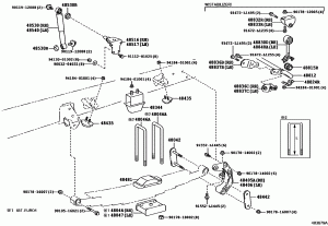
ПЕДАЛЬ СЦЕПЛЕНИЯ
ПЕДАЛЬ СЦЕПЛЕНИЯ
Запчасти
ПЕДАЛЬ ТОРМОЗА
ПЕДАЛЬ ТОРМОЗА
Запчасти
ПЕРЕДНИЕ ТОРМОЗА (КОЛОДКИ, СУППОРТА, РЕМ К-Т, КОЖУХ)
ПЕРЕДНИЕ ТОРМОЗА (КОЛОДКИ, СУППОРТА, РЕМ К-Т, КОЖУХ)
Запчасти
ПЕРЕДНЯЯ ПОДВЕСКА ПРУЖИНЫ И АМОРТИЗАТОРЫ
ПЕРЕДНЯЯ ПОДВЕСКА ПРУЖИНЫ И АМОРТИЗАТОРЫ
Раздел
ПЕРЕДНЯЯ ПОДВЕСКА РЫЧАГИ
ПЕРЕДНЯЯ ПОДВЕСКА РЫЧАГИ
Запчасти
ПЕРЕДНЯЯ СТУПИЦА И ТОРМОЗНОЙ ДИСК
ПЕРЕДНЯЯ СТУПИЦА И ТОРМОЗНОЙ ДИСК
Запчасти
РУЛЕВАЯ КОЛОНКА И КРЕСТОВИНЫ
РУЛЕВАЯ КОЛОНКА И КРЕСТОВИНЫ
Запчасти
РУЛЕВАЯ РЕЙКА И НАКОНЕЧНИКИ
РУЛЕВАЯ РЕЙКА И НАКОНЕЧНИКИ
Раздел
РУЛЬ
РУЛЬ
Раздел
РУЧКА ПЕРЕКЛЮЧЕНИЯ ПЕРЕДАЧ
РУЧКА ПЕРЕКЛЮЧЕНИЯ ПЕРЕДАЧ
Запчасти
СТОЯНОЧНЫЙ ТОРМОЗ КОЛОДКИ ТРОСА. (РУЧНИК)
СТОЯНОЧНЫЙ ТОРМОЗ КОЛОДКИ ТРОСА. (РУЧНИК)
Раздел
СЦЕПЛЕНИЕ
СЦЕПЛЕНИЕ
Запчасти
ТОРМОЗНАЯ МАГИСТРАЛЬ (ТРУБКИ)
ТОРМОЗНАЯ МАГИСТРАЛЬ (ТРУБКИ)
Раздел
ТРУБКИ ГИДРОУСИЛИТЕЛЯ РУЛЯ
ТРУБКИ ГИДРОУСИЛИТЕЛЯ РУЛЯ
Запчасти
ТЯГИ И ВИЛКИ ПЕРЕКЛЮЧЕНИЯ ПЕРЕДАЧ
ТЯГИ И ВИЛКИ ПЕРЕКЛЮЧЕНИЯ ПЕРЕДАЧ
Запчасти
ЦИЛИНДР СЦЕПЛЕНИЯ
ЦИЛИНДР СЦЕПЛЕНИЯ
Запчасти
ШЕСТЕРНИ КОРОБКИ ПЕРЕДАЧ (МКПП)
ШЕСТЕРНИ КОРОБКИ ПЕРЕДАЧ (МКПП)
Запчасти